E-mail Us

Acrel Medical IT System Applied to Luanda General Hospital, Angola

Jan 16, 2026

Table of Content [Hide]

    Abstract: Diagnosis and treatment in modern hospitals are inseparable from advanced medical equipment, which is inseparable from a safe and reliable power supply. Many operations often last for several hours, and the consequences of a sudden power failure during the operation are unimaginable. At the same time, many medical devices directly touch or penetrate into the human organs. At this time, the very small leakage current will threaten the life of the patient. Therefore, the national standards have made clear requirements; medical group 2 locations must be powered by an IT system. This article introduces the application of Acrel Medical IT System in Luanda General Hospital, Angola


    Keywords: Medical IT system, Insulation monitoring device, Alarm indicators.


    1. Project Overview

    Luanda General Hospital in Angola is a China-aided reconstruction and expansion project of Luanda General Hospital in Angola undertaken by China Railway Fourth Bureau. The project uses 8 sets of Acrel medical IT system products. They are an AITR series isolation transformer, an AKH-0.66P26 current transformer, an AIM-M series insulation monitoring device, an AID series remote alarm indicator, and a DC power supply unit.


    2. Introduction of Medical Isolated Power Supply System

    The medical isolated power supply system is to switch the grounding system (TN-S system) into an ungrounded system (IT system) through a medical isolation transformer to supply power for important medical equipment. The insulation monitoring device has the function of insulation monitoring, and the fault locator has the function of fault circuit locating.

    3. Acrel Medical Isolated Power Supply System Solutions

    Acrel medical isolated power supply system is suitable for operating room, ICU, CCU, and other medical group 2 locations, providing safe and uninterruptible power supply. Medical isolated power panels mainly include the AITR series isolation transformer, AKH-0.66P26 current transformer, AIM-M series insulation monitoring device, AID series remote alarm indicator, DC power supply, ASG series test signal generator, and AIL series insulation fault locator.


    3.1 Acrel Medical Isolated Power Supply System for Operating Room

    Electrical circuit diagram for an operating room isolation power cabinet, featuring integrated components for wireless power metering and monitoring.

    Option I without the insulation fault location function

    Acrel technical diagram illustrating a medical isolation power system with integrated IoT modules for multi-scenario industrial and healthcare power metering.

    Option II with insulation fault location function


    Note: 1. For the operating room, the AID series alarm indicator should be installed on the intelligence panel inside the operating room, or next to the intelligence panel (wall-mounted installation), so that medical personnel can immediately receive a notification when there is a power supply failure.


    2. In Option II, if the number of located channels is more than eight, two sets of AIL150 can be used. The combination can be AIL150-8 and AIL150-4 (up to 12 channels), or AIL150 -8 and AIL150-8 (up to 16 channels).


    3.2 Acrel Medical Isolated Power Supply System for ICU and CCU

    Electrical diagram of an ICU/CCU isolated power cabinet featuring a medical isolation transformer and integrated monitoring modules for healthcare safety.

    Option I without the insulation fault location function

    Electrical schematic of an Acrel ICU/CCU isolated power cabinet featuring a medical isolation transformer, fault locator, and insulation monitoring system.

    Option II with insulation fault location function

    Note: For the intensive care unit, an AID series alarm indicator should be installed in the nurses 'station so that medical personnel can monitor the operating status of the isolated power supply system.


    3.3 Product Selection

    Acrel Product Selection

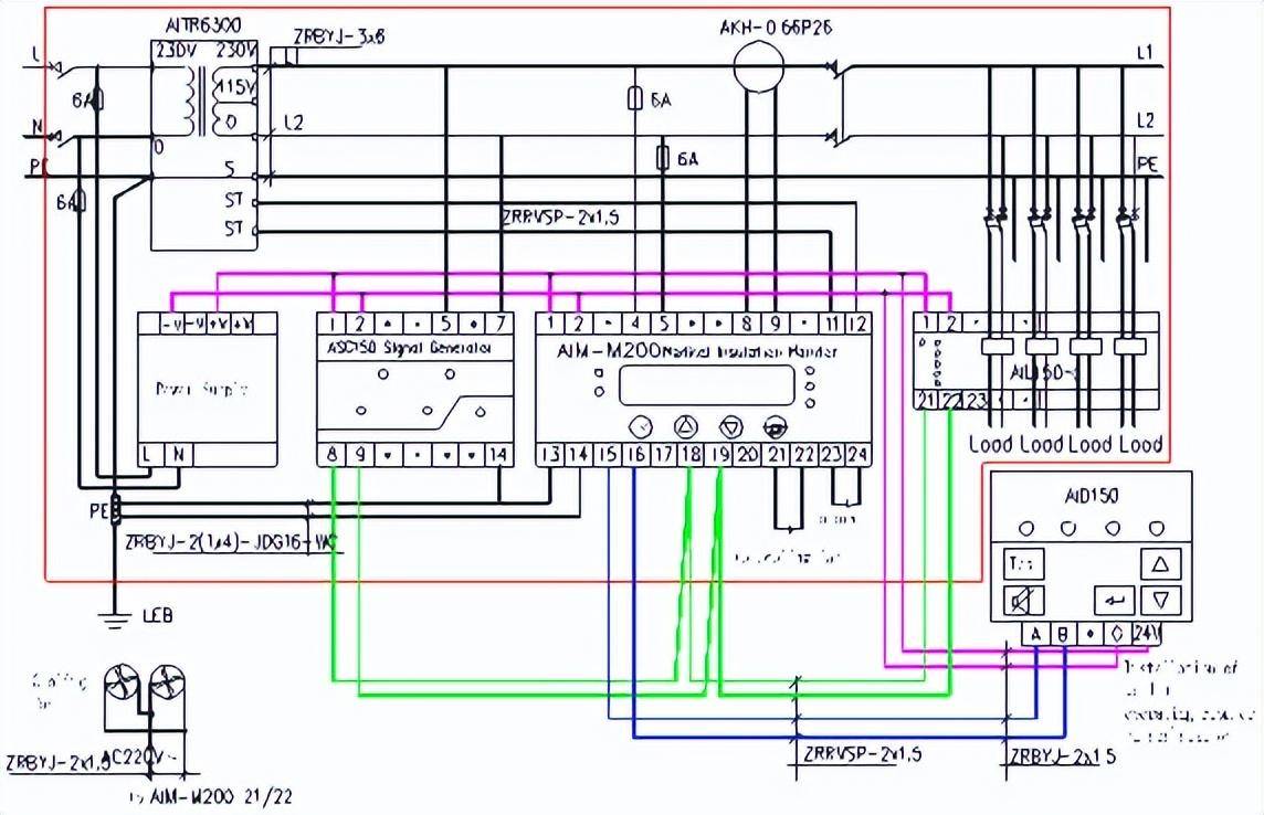
    4. Connection Diagram

    Acrel Connection Diagram

    5. Installation Photos

    Acrel Installation Photos

    Acrel Installation Photos

    6. Conclusion

    After expansion and renovation, Luanda General Hospital has become one of the largest and best-equipped hospitals in Angola. Acrel's medical IT system has provided crucial support for the hospital's safe and continuous power supply, significantly improving local medical conditions and benefiting the local people.


    Aaron Shi
    Aaron Shi

    Electrical Engineer Expert, Providing Service, consultant, product expert, professional manufacturer of energy efficiency management systemic solutions, and energy meters.

    References